ALP系列低壓保護器產品簡介:

功能:

ALP系列線路保護器集保護、測量、控制、總線通訊為一體,同時提供了遠程自動控制、現場直接控制、面板指示、信號報警、操作記錄、跳閘報警記錄及開關量記錄等功能。

應用范圍:

適用于煤礦、石化、冶煉、電力、船舶、以及民用建筑等領域。

訂貨范例:

具體型號:ALP220-5/L

技術要求:輸入電壓AC 220V;工作頻率50Hz;電流變比200A/5A;漏電保護KB2模塊;準確級0.5。

通訊協議:RS485接口 Modbus/RTU協議

輔助電源:AC/DC 220V

技術指標:

低壓線路保護


低壓PT保護器


產品功能:


外形尺寸:

ALP200低壓線路保護


ALP220低壓線路保護器


ALP320低壓線路保護器

主體控制模塊


顯示模塊


互感器

1A、5A專用電流互感器


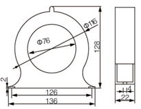
注:一次電流從P1面進,P2面(灌膠面)出;二次引線黃色為S2,紅色為S1,引線長150mm,引線截面積0.22m2

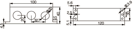
100A及以下專用電流互感器外形尺寸


160A電流互感器外形尺寸


400A電流互感器外形尺寸


100A及以下漏電流互感器外形尺寸


160A、400A漏電流互感器外形尺寸


低壓PT保護器


產品報價