AKH-0.66/Z型空壓機用電流互感器
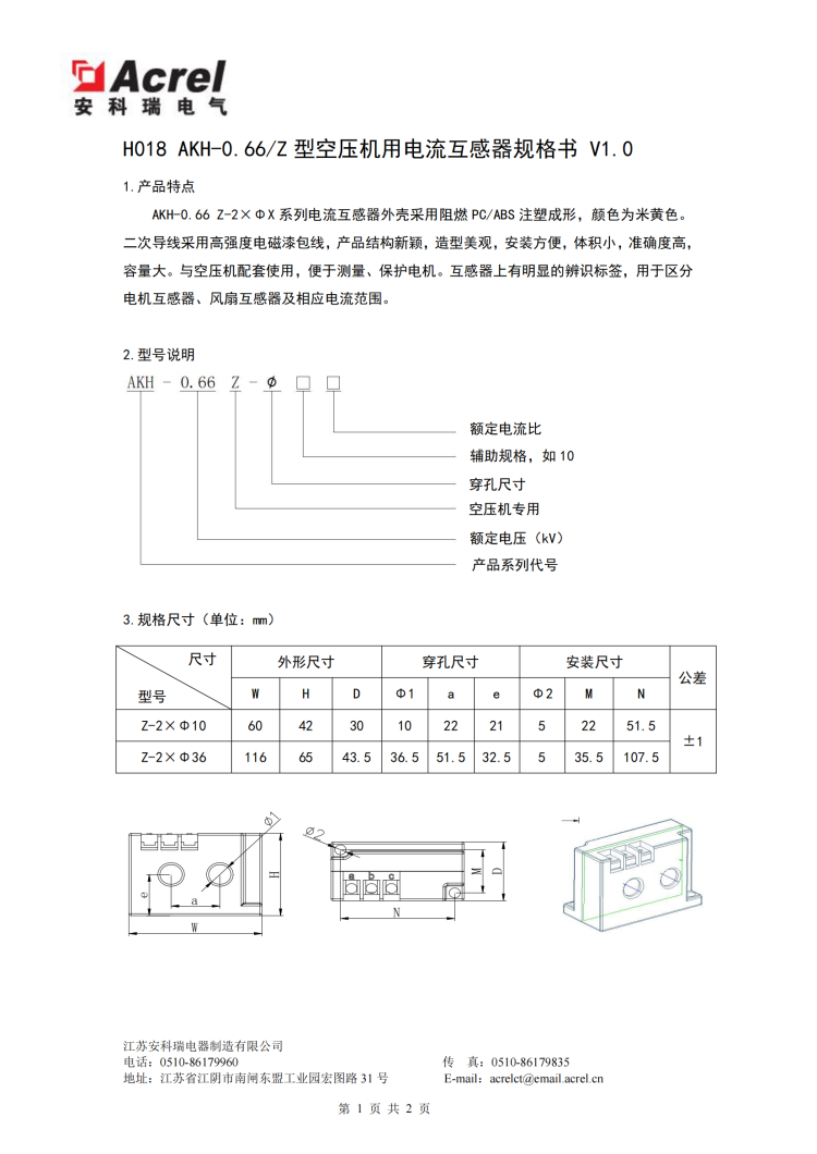
AKH-0.66Z-2XΦX系列電流互感器外殼采用阻燃PC/ABS注塑成形,二次導線采用高強度電磁漆包線,產品結構新穎,造型美觀,安裝方便,體積小,準確度高,容量大。與空壓機配套使用,便于測量、保護電機。互感器上有明顯的辨識標簽,用于區分電機互感器、風扇互感器及相應電流范圍。



上一篇:Apview400電能質量分析儀
下一篇:?安科瑞ARUH低壓浪涌保護裝置
AKH-0.66Z-2XΦX系列電流互感器外殼采用阻燃PC/ABS注塑成形,二次導線采用高強度電磁漆包線,產品結構新穎,造型美觀,安裝方便,體積小,準確度高,容量大。與空壓機配套使用,便于測量、保護電機。互感器上有明顯的辨識標簽,用于區分電機互感器、風扇互感器及相應電流范圍。



上一篇:Apview400電能質量分析儀
下一篇:?安科瑞ARUH低壓浪涌保護裝置