光伏并網柜保護監測解決方案
1、 光伏并網柜簡介
分布式并網光伏系統是利用光伏組件將太陽能直接轉變為電能的發電方式,并且能一定程度保證發電的穩定性、可靠性及供給配電網電能質量,是一種新型的、環保型且具有長遠發展前景的發電系統。該系統在用戶所在場地或附近建設運行,以用戶側自發自用為主、多余電量上網且在配電網系統平衡調節為特征的光伏發電設施。它能夠就近逐步解決用戶的用電問題,通過并網送去實現供電差額的補償與外送。光伏電源處于用戶側,發電供給當地政府負荷,可以合理減少對電網供電的依賴,減少線路損耗。通過借助建筑物表面,將光伏蓄電池作為建筑材料,從而合理地增加光伏電站的占地面積。分布式光伏發電系統規模較小,可以根據實際要求進行建設,建設區域選擇性較大,在未來能源綜合利用發展中有很大的發展空間。
并網柜主要由刀閘、斷路器及有關的控制元件組成,由于其連接發電機系統和電網系統,安裝有完備的并網保護裝置,起到發電機并網作用,而被稱為“并網柜”。 光伏并網柜作為光伏電站的總出口存在于光伏系統中,是連接光伏電站和電網的配電裝置,可以保護、計量光伏發電的總量,方便故障檢修管理,提高發電系統的安全性和經濟效益。具備檢失壓分閘、檢有壓合閘、過流保護、過電壓保護、孤島保護、防逆流保護、諧波治理、無功補償等多項保護功能,同時具備顯示光伏發電系統運行參數和狀態指示,被廣泛運用于光伏發電系統,與光伏并網逆變器配套使用可組成一套完整的光伏發電系統解決方案。
2、 光伏并網柜綜合監測解決方案
光伏并網柜在運行中,會出現電網側電壓、頻率等方面的波動對本站造成沖擊、負荷過高等現象,不僅會對電網設備造成損壞還會威脅到維護人員的生命安全。諧波問題是光伏發電的主要問題,光伏發電使用交、直流逆變器,由于逆變器是通過半導體功率開關的開通和關斷作用,把直流電轉變為交流電,在此環節會產生諧波問題。另外由于光伏項目的不確定性,造成輸出功率的隨機波動,導致電網頻率偏差、電壓波動與閃變等。
針對上述情況,本解決方案利用防孤島保護裝置采集并網電壓、頻率及電網進線電流等信號,當發生孤島現象時,快速切除并網點,使本站與電網側快速脫離。同時配置電能質量在線監測裝置,對電壓諧波、電壓波動與閃變、頻率偏差、電壓不平衡度、電壓暫降/暫升/短時中斷等進行實時監測。通過這兩種設備在光伏并網柜中的使用,為電網的可靠運行提供保障。本解決方案設備配置方案如表一。
表一 配置方案

3、 產品簡介
3.1 AM5SE-IS微機保護裝置
AM5SE-IS防孤島保護裝置主要適用于35kV、10kV及低壓380V光伏發電、燃氣發電等新能源并網供電系統。當發生孤島現象時,可以快速切除并網點,使本站與電網側快速脫離,保證整個電站和相關維護人員的生命安全。
技術參數
主要功能
外形及開孔尺寸
安裝方法
裝置采用面板嵌入式安裝,首先在屏體面板上按開孔尺寸開孔,如圖1。再將裝置按圖2所示放入開孔中,直到裝置面板靠住機柜的面板。將支架放置于機柜面板的內部(上下各有一個支架),如圖3,旋轉4個固定螺絲,使裝置牢固固定在機柜面板上,然后蓋上4個翻蓋即可。(翻蓋上方有小缺口,拆卸時需用一字螺絲刀插入小缺口將翻蓋取下。)
3.2 APView500電能質量在線監測裝置
APView500電能質量在線監測裝置集諧波分析、波形采樣、電壓暫降/暫升/中斷、閃變監測、電壓不平衡度監測、事件記錄、測量控制等功能為一體。能夠滿足110kV及以下供電系統電能質量監測的要求,廣泛適用于化工、鋼鐵、冶金、醫院、數據中心、交通建筑等行業的電能質量監測。
技術參數

監測精度

基本功能
注:√表示標配功能,■表示可選功能。
外形及開孔尺寸
本裝置為嵌入式安裝方式,可以集中安裝于控制室的屏或柜上,也可分散安裝于開關柜上。
外形尺寸 開孔尺寸
4、 典型方案
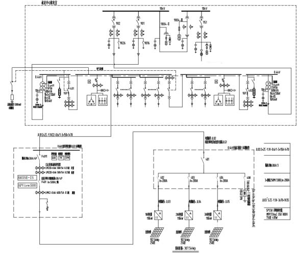
4.1 0.4kV光伏發電項目系統上圖
1、配電室上圖方案
一次系統上圖
2、方案設計
一次方案設計圖
4.2 10kV光伏發電項目系統上圖
1、配電室上圖方案
10kV市電一次系統圖
一次系統上圖
2、方案設計
一次方案設計圖




掃一掃添加微信